CODINGCLASSEURS WEKA ★ Comment exploiter toutes les ressources et augmenter les performances de votre AMSTRAD CPC ★

6/2 - Introduction au circuit sonore AY3-8912Coding Classeurs Weka
6/2 Introduction au circuit sonore AY3-8912

Le circuit AY3-8912 de General Instruments est souvent utilisé sur les micro-ordinateurs familiaux. La raison en est simple : ce générateur sonore allie facilité de programmation et diversité des sons générés. Il est entièrement programmable au moyen de 16 registres internes dont la description sera faite ci-après. Une fois ses registres programmés, AY3 n'a plus besoin du micro-processeur pour générer un son, même si celui-ci dure plusieurs secondes. Ceci est un atout supplémentaire non négligeable, car la programmation des registres internes est ultra rapide, et le micro-processeur disposera de beaucoup de temps pour s'occuper d'autres choses, ce qui est important dans les jeux d'arcades par exemple.

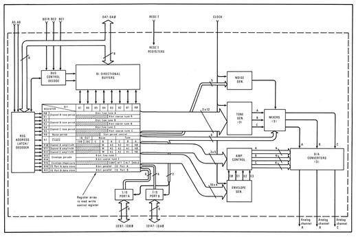
STRUCTURE INTERNE

AY3-8912 peut gérer trois voies sonores simultanément et une voie de bruit blanc. Le schéma interne ci-dessous nous montre que ce circuit est divisé en huit parties :

1°) Générateurs sonores

Au nombre de trois, un pour chaque canal. Ils produisent des signaux carrés de fréquence programmable par les registres internes.

2°) Générateur de bruit blanc

Il produit des signaux rectangulaires de fréquence variable et quelconque. Le bruit obtenu est un souffle plus ou moins aigu.

3°) Mélangeur de canaux

Permet de mixer le bruit blanc et les trois canaux sonores.

4°) Contrôleur d'amplitude

Fournit au convertisseur digital analogique (CDA) le volume sonore de la sortie analogique. Ce volume peut être fixé ou contrôlé par le générateur d'enveloppe.

5°) Générateur d'enveloppe

On appelle enveloppe la forme qui « entoure » un son dans le temps.

Le générateur d'enveloppe agit sur le contrôleur d'amplitude pour contrôler la variation d'amplitude d'un son dans le temps, sur les trois canaux.

6°) Convertisseur digital analogique

Un par voie ; ils permettent de convertir les signaux numériques issus des générateurs sonores en un signal analogique qui sera envoyé sur un haut parleur.

7°) Port d'entrée/sortie

Permet de sélectionner un des 16 registres internes du AY3 par l'intermédiaire de deux signaux : BDIR et BC1.

Si BDIR = 0 et BC1 =0 AY3 est inactif.

Si BDIR = 0 et BC1 = 1 AY3 est en mode lecture.

Si BDIR= 1 et BC1 =0 AY3 est en mode écriture.

Si BDIR= 1 et BC1 = 1 AY3 charge l'adresse d'un de ses registres internes.

8°) Buffers d'entrée/sortie

Contiennent les données à écrire ou lues sur AY3.

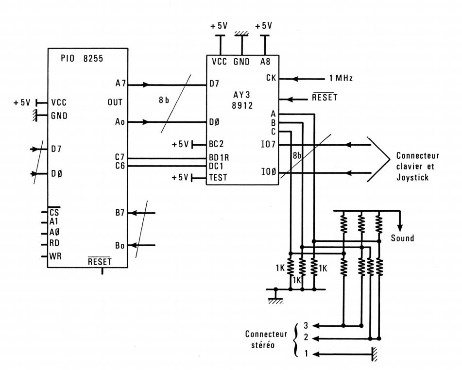
AY3 s'implante sur la carte mère de la façon suivante :

Nous voyons que :

  • Les signaux analogiques A, B et C sortent sur le connecteur stéréo par l'intermédiaire d'un pont diviseur.
  • Les pattes BDIR et BC1 sont commandées par le PIO 8255.
  • De même, le bus de données est directement connecté au port A du PIO.

Page précédente : 6/1 - Définitions
Je participe au site:

» Vous avez remarqué une erreur dans ce texte ?
» Aidez-nous à améliorer cette page : en nous contactant via le forum ou par email.

CPCrulez[Content Management System] v8.732-desktop/c
Page créée en 655 millisecondes et consultée 863 fois

L'Amstrad CPC est une machine 8 bits à base d'un Z80 à 4MHz. Le premier de la gamme fut le CPC 464 en 1984, équipé d'un lecteur de cassettes intégré il se plaçait en concurrent  du Commodore C64 beaucoup plus compliqué à utiliser et plus cher. Ce fut un réel succès et sorti cette même années le CPC 664 équipé d'un lecteur de disquettes trois pouces intégré. Sa vie fut de courte durée puisqu'en 1985 il fut remplacé par le CPC 6128 qui était plus compact, plus soigné et surtout qui avait 128Ko de RAM au lieu de 64Ko.