HARDWARE ★ BOOK : MONTAGES, EXTENSIONS ET PÉRIPHÉRIQUES DU CPC ★

Book Montages Extension Peripheriques du CPC 062
6.2. DECODEUR UNIVERSEL

Le décodeur simple du chapitre 6.1. suffira certainement dans la majorité des cas, quand il s'agira de ne connecter que quelques extensions en permanence au CPC 464. Si néanmoins cela ne vous suffit pas, nous allons maintenant décrire un décodeur aux possibilités accrues.

Avec le décodeur d'adresses universel l'utilisateur est en mesure de programmer 8 bits d'adresses, A11-A4; il peut en outre générer 4 signaux Chip-Select différents.
Les bits A0 et A1 ne sont pas utilisés pour le décodage d'adresse et peuvent servir à transmettre des signaux de commande aux circuits périphériques.

Les possibilités d'adressages de ce décodeur vous sont présentées dans le tableau ci-dessous:

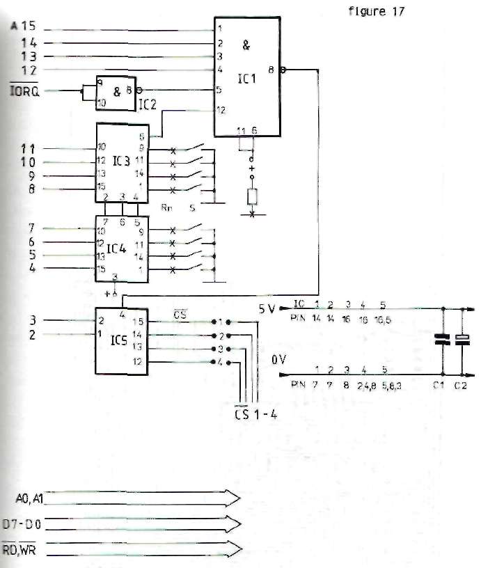
La particularité de ce décodeur d'adresse est sa capacité à générer différents signaux Chip-Select, La raison en est IC 5, un décodeur 3 à 8. Il est en effet capable, en fonction du code 3 bits qui se trouve sur ces entrées, de mettre au niveau L l'une des 8 sorties, alors que les autres restent à H.

Il faut également que la sortie vérifie certaines conditions de validation. Le code est fourni par les bits A3 et A2, le troisième bit est à 0, on aura donc en sortie 4 états différents (au lieu de 8). La sortie de IC 1 est reliée à l'entrée de validation de IC 5 (broche 4), ainsi celui-ci ne pourra générer son signal Chip-Select qu'à la condition que la bonne adresse se trouve sur le BUS d'adresses. Les autres entrées de validations dont on ne se sert pas sont reliées au bon potentiel: 0 Volt pour la broche 5 et +5 Volt pour la broche 6. Le tableau suivant montre quelles sont les conditions pour obtenir les différents Chip-Select:

ADRESSAGE:

Les niveaux des bits A3-A0 marqués "xx" sont | déterminer avec le tableau Chip-Select.

LISTE DES COMPOSANTS
---------------------
IC 1 = 74LS30
IC 2 = 74LS00
IC 3 = 74LS85
IC 4 = 74LS85
IC 5 = 74LS138
C1   = 100 nF
C2   = 100 nF/12 V chimique
Rn   = Réseau de résistances 8 x 4,7 K
S = Interrupteur DIL à 8 contacts
X1   = Connecteur VG 64 broches, coudé, type a+c

INDICATIONS POUR LA REALISATION

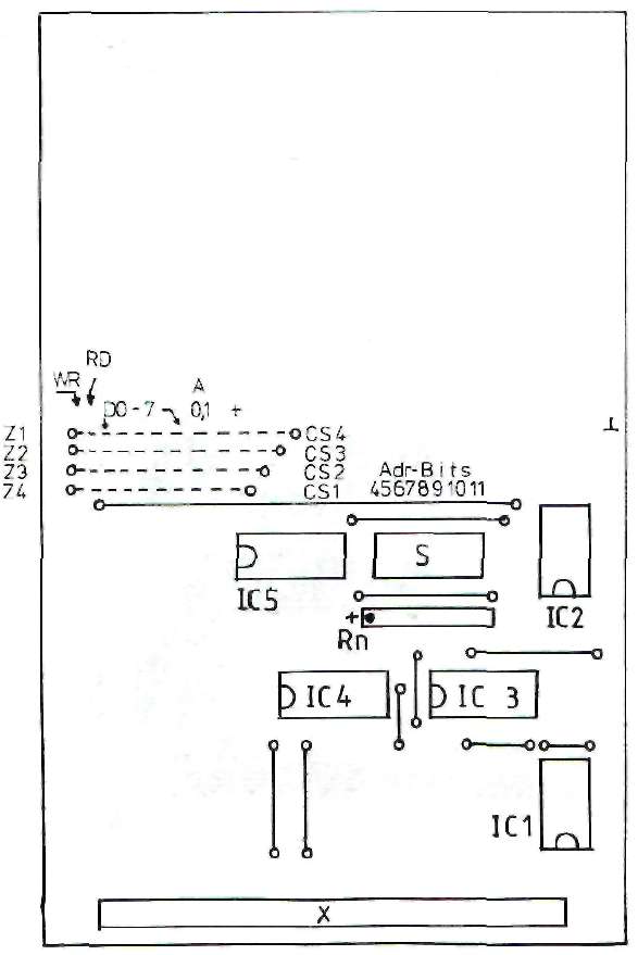
Le schéma du décodeur se trouve à la figure 17, le dessin du circuit imprimé à la figure 18 et vous trouverez enfin à la figure 19 le Plan d'implantation des composants. La réalisation ne devrait pas présenter de difficultés particulières. A la place du réseau de résistances on peut â la limite aussi employer des résistances discrètes comme cela à été vu au chapitre 3. Tout comme pour le décodeur simple, il reste de la place sur le circuit imprimé pour y dessiner votre propre circuit d'extension. On retrouve ici, à côté du BUS de données au grand complet, les signaux RD et WR, ainsi que les bits A1 et A0 qui peuvent éventuellement servir par la suite. Les indications sur la face supérieure du circuit imprimé se rapportent aux contacts correspondants côté cuivre.

On trouve sur le plan d'Implantation 4 lignes de tirets marqués Z1 à Z4. Elles représentent des ponts de fils (ou "straps") qui peuvent être installés au besoin et qui amèneront le signal Chip-Select correspondant au système de BUS périphérique (voir chapitre 7), En utilisation normale vous n'aurez besoin d'aucune de ces liaisons. Veillez néanmoins à ce qu'il n'y aie JAMAIS plus d'un strap installé.


FIGURE 18 : CIRCUIT IMPRIME DU DECODEUR D'ADRESSES UNIVERSEL CONSTRUIT SUR   LE MEME PRINCIPE QUE LE DECODEUR SIMPLE,

FIGURE 19 : SCHEMA D'IMPLANTATION DES COMPOSANTS

FIGURE 20 : PROTOTYPE DU DECODEUR D'ADRESSES UNIVERSEL. L'ADRESSE DECODEE EST  ICI F9AX.  LE RESEAU  DE  RESISTANCES EST DE "FABRICATION MAISON".

Page précédente : Book Montages Extension Peripheriques du CPC 061 : Décodeur simple
Je participe au site:

» Vous avez remarqué une erreur dans ce texte ?
» Aidez-nous à améliorer cette page : en nous contactant via le forum ou par email.

CPCrulez[Content Management System] v8.732-desktop/c
Page créée en 920 millisecondes et consultée 2315 fois

L'Amstrad CPC est une machine 8 bits à base d'un Z80 à 4MHz. Le premier de la gamme fut le CPC 464 en 1984, équipé d'un lecteur de cassettes intégré il se plaçait en concurrent  du Commodore C64 beaucoup plus compliqué à utiliser et plus cher. Ce fut un réel succès et sorti cette même années le CPC 664 équipé d'un lecteur de disquettes trois pouces intégré. Sa vie fut de courte durée puisqu'en 1985 il fut remplacé par le CPC 6128 qui était plus compact, plus soigné et surtout qui avait 128Ko de RAM au lieu de 64Ko.