HARDWARE ★ MONTAGES, EXTENSIONS ET PÉRIPHÉRIQUES DU CPC ★

Book Montages Extension Peripheriques du CPC 063
6.3.   DECODEUR COMPLET

Même avec le dernier décodeur que ne venons de voir il restait encore quelques adresses qui ne pouvaient pas être décodées, car les bits A15 à A12 étaient maintenus à l'état H. L'adresse décodée commençait nécessairement par "F".

Le but de ce chapitre est de réaliser un décodeur capable de tenir compte de toutes les adresses, permettant son utilisation sur d'autres systèmes où les adresses d'entrées/sorties se trouvent peut-être ailleurs.

Le plus logique serait bien sûr de prévoir 16 inters DIL, un pour chaque bit d'adresse.

En fait tout n'est pas aussi simple, car nombre de circuits périphériques nécessitent, à côté du signal Chip-Select qui sert à valider l'adressage du composant, d'autres signaux de commande qui sont véhiculés par deux, parfois trois lignes d'adresses. On utilise en général les bits inférieurs (on dit "de poids faible") pour ces tâches.

Cela signifie que les bits A1 et A0 ne doivent pas être utilisés lors du décodage. Lorsque l'on veut par exemple utiliser le circuit d'interface RS232 2681, il faut réserver les trois lignes d'adresses A2-A0 pour la transmission de mots de commande.
La figure 21 montre le schéma d'un circuit assurant le décodage de la quasi-totalité des adresses. Les  bits d'adresse  A15-A4  sont programmables avec des inters DIL. Lorsque la bonne adresse se trouve sur le BUS d'adresses, la broche 6 de IC 1 passe au niveau H. Ce ? signal est utilisé avec I0RQ pour valider IC 4


FIGURE 21


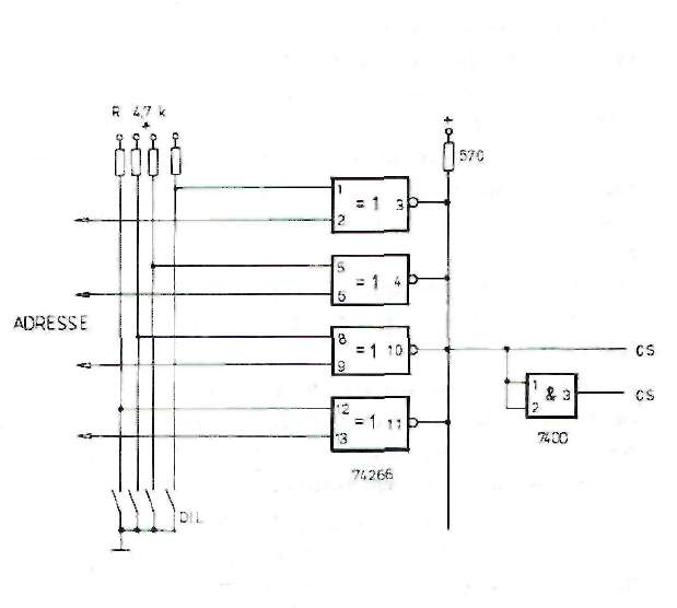
FIGURE 22 : DECODEUR UTILISANT DES PORTES EXNOR


FIGURE 23

Jusqu'à présent la programmation des adresses a été réalisée à l'aide de circuits intégrés du type 7485. Mais il est également possible d'obtenir le même résultat avec des portes EXNOR, par exemple du type 74266 ou 74836, comme cela est montré à la figure 22. Le seul inconvénient est que les portes EXNOR sont plus difficiles à trouver dans le commerce.

Comme nous l'avons vu au chapitre 5, la sortie d'une porte EXNOR ne vaut H que si les deux entrées sont dans le même état. Il est ainsi possible de comparer chacun des bits avec son interrupteur associé. Un inverseur supplémentaire en sortie permet de disposer d'une sortie active à L.

Le schéma figure 22 ne montre que les 4 premiers   bits, il   est   bien évident que le décodage peut être étendu à autant de portes   qu'on   le désire.

Il n'est bien sûr pas possible de présenter un décodage d'adresse parfaitement adapté à chaque application. C'est à vous de voir Jusqu'à quel point vous voulez équiper votre ordinateur avec des extensions.
Les décodeurs à combinaisons logiques figées sont souvent plus simples à réaliser et nécessitent moins de composants, mais occupent en général un domaine d'adresses trop large, à cause du décodage partiel, qui ne peut plus être utilisé pour d'autres applications. Il peut même arriver qu'ils gênent leur propre fonctionnement.

Mieux vaut prévoir à l'avance une petite dépense supplémentaire qui permet d'assouplir le fonctionnement du décodeur. Les montages décrits dans ce livre vous sont présentés d'une part avec le décodeur d'adresses simple, où l'on peut tout de même programmer 4 bits, et d'autre part avec le décodeur universel.

Page précédente : Book Montages Extension Peripheriques du CPC 062
Je participe au site:

» Vous avez remarqué une erreur dans ce texte ?
» Aidez-nous à améliorer cette page : en nous contactant via le forum ou par email.

CPCrulez[Content Management System] v8.732-desktop/c
Page créée en 494 millisecondes et consultée 1943 fois

L'Amstrad CPC est une machine 8 bits à base d'un Z80 à 4MHz. Le premier de la gamme fut le CPC 464 en 1984, équipé d'un lecteur de cassettes intégré il se plaçait en concurrent  du Commodore C64 beaucoup plus compliqué à utiliser et plus cher. Ce fut un réel succès et sorti cette même années le CPC 664 équipé d'un lecteur de disquettes trois pouces intégré. Sa vie fut de courte durée puisqu'en 1985 il fut remplacé par le CPC 6128 qui était plus compact, plus soigné et surtout qui avait 128Ko de RAM au lieu de 64Ko.