CODINGCLASSEURS WEKA ★ Comment exploiter toutes les ressources et augmenter les performances de votre AMSTRAD CPC ★

2/5.2 - Les circuits intégrés digitauxCoding Classeurs Weka
2/5.2 - Les circuits intégrés digitaux

Quadruple porte NAND à deux entrées, le ZN 7400 de la figure 1 est logé dans un boîtier à 14 broches que nous représentons accompagné du symbole normalisé « IEC » de sa fonction, et de sa « table de vérité ». Celle-ci permet de constater que la sortie de chaque section ne passe à l'état bas (L soit 0V) que si les deux entrées correspondantes sont ensemble à l'état haut (H soit + 5 V). Il s'agit donc bien du complément logique de la fonction ET (AND).

Le 74LS132 de la figure 2 remplit la même fonction logique, mais avec un comportement « trigger de Schmitt », lui permettant de transformer des tensions mal définies en niveaux logiques francs, 0 V ou +5 V.


Fig. 1 : ZN 7400


Fig. 2 : LS 132.

A la figure 3, le 74LS08 réalise la fonction ET (AND), complémentaire de la précédente : la sortie de chaque porte à deux entrées ne passe au niveau haut que si les deux entrées sont elles-mêmes hautes (à + 5 V).

Le 74LS32 de la figure 4 est une quadruple porte OU (OR) à deux entrées : la sortie de chaque porte passe à un niveau haut dès qu'au moins une des entrées est haute : on parle d'une fonction « OU inclusif » par opposition au 74LS136 de la figure 5 qui contient quatre portes « OU exclusif à deux entrées : la sortie est haute si une entrée est basse et l'autre haute. Elle est basse si les deux entrées sont au même niveau, quel qu'il soit.

A la figure 6, nous sommes en présence d'une triple porte NOR (fonction complémentaire du OU) à 3 entrées 74LS27 : la sortie n'est haute que si les trois entrées correspondantes sont basses en même temps.

Le 74HCU04 de la figure 7 est un sextuple inverseur : chaque élément inverse le niveau appliqué à son entrée.

Contrairement à tous les circuits précédents dont la sortie délivrait du + 5 V à l'état haut, le 74LS38 de la figure 8 contient quatre portes NAND à deux entrées avec sorties collecteur ouvert : lorsque les deux entrées sont hautes, la sortie correspondante est reliée à la masse par un transistor NPN saturé. Dans les autres cas, le transistor est bloqué et la sortie reste dans un état « haute impédance » : son niveau électrique est fixé par le circuit extérieur.


Fig.3 : 74 LS 08.


Fig. 4 : 74 LS 32.


Fig. 5 : 74 LS 136


Fig. 6 : 74 LS 27


Fig. 7 : 74 HCU 04


Fig. 8: 74 LS 38


Fig. 9: 74 HC 240

Avec le 74HC240 de la figure 9, nous abordons le domaine des circuits intégrés de moyenne complexité : les huit sections de ce composant sont en effet des buffers trois états inverseurs. Lorsque l'entrée E correspondant à un buffer donné est dans un état haut, la sortie du buffer est en « haute impédance » (Z). L'état de l'entrée de « donnée » I est alors sans importance (X). Lorsque cette entrée E passe au niveau bas, les données appliquées à l'entrée I d'un buffer se retrouvent sur la sortie 0 correspondante, mais inversées.

Le 74LS244 de la figure 10 fonctionne de la même façon, mais n'inverse pas les données entre l'entrée et la sortie.

Ces deux composants sont séparés en deux groupes A et B de quatre buffers chacun^ maison utilise généralement les huit buffers ensemble, en réunissant Ea et Eb.

Le 74LS373 de la figure 11 contient des bascules D en amont des huit buffers qui cette fois sont indissociables au niveau de la commande OE. Cette disposition permet de « saisir au vol » un groupe de huit états sur les entrées, puis de le recopier plus tard sur les sorties, sans inversion cette fois encore. Un état bas sur l'entrée de commande E provoque lamise en mémoire des états des huit entrées, tandis qu'un état bas sur OE déclenche le transfert des états mémorisés vers les sorties. Bien entendu, les huit sorties restent en « haute impédance » tant que OE est à l'état haut.

Ce type de composant sert souvent à réaliser des ports de sortie, et les simples buffers des ports d'entrée.

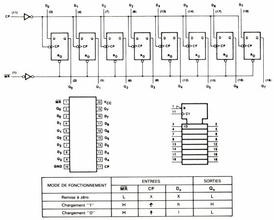
Le 74LS273 de la figure 12 n'est pas équipé de buffers : il ne contient que huit bascules qui peuvent mémoriser l'état des entrées lorsqu'une impulsion positive est appliquée à l'entrée d'horloge CP. Toutes les bascules peuvent être remises à zéro simultanément par un niveau bas sur l'entrée MR, ou « Master Reset ».

Les entrées du 74LS273 sont évidemment compatibles avec un bus « trois états » comme le bus de données du Z80, mais ses sorties ne le sont pas directement. On peut cependant les utiliser pour créer un port de sortie, par exemple pour l'imprimante.

Logé dans un boîtier à 14 broches seulement, le 74LS74 de la figure 13 ne contient que deux bascules, mais équipées d'entrées individuelles de remise à zéro et à un, et aussi de sorties directes et complémentées.

A ceci près, le fonctionnement est semblable : le niveau présent sur l'entrée D (Donnée) est transféré et mémorisé sur les sorties pendant le front montant de l'impulsion appliquée à l'entrée C (Clock).

Assemblage complexe de bascules, le 74HC161 est un compteur binaire à quatre étages, pouvant donc compter de zéro à quinze. Différentes entrées de commande permettent toute une variété de fonctionnements spéciaux : prépositionnement à un état quelconque grâce aux entrées « D », remise à zéro, mise en attente, etc. La figure 14 résume les principales caractéristiques de ce composant.

Décodeur BCD-décimal, le 74LS145 de la figure 1 5 fait passer à l'état bas celle de ses dix sorties qui correspond à la valeur décimale du mot binaire de quatre bits appliquée à ses entrées. Les combinaisons supérieures à 9 sont ignorées.

Le 74LS153 de la figure 16 est pour sa part un multiplexeur capable de réaliser deux fois l'aiguillage vers une sortie unique d'une entrée choisie parmi quatre possibles, si E est à 0.


Fig. 10: LS 244


Fig. 11: LS 373


Fig. 12 : LS 273

Fig. 13: 74 LS 74


Fig. 14: 74 HC 161


Fig. 15: LS 145


Fig. 16: LS 153

★ NOTE: 4e Complément

Page précédente : 2/5.1 - Les circuits intégrés linéaires (!)
Je participe au site:

» Vous avez remarqué une erreur dans ce texte ?
» Aidez-nous à améliorer cette page : en nous contactant via le forum ou par email.

CPCrulez[Content Management System] v8.732-desktop/c
Page créée en 787 millisecondes et consultée 1974 fois

L'Amstrad CPC est une machine 8 bits à base d'un Z80 à 4MHz. Le premier de la gamme fut le CPC 464 en 1984, équipé d'un lecteur de cassettes intégré il se plaçait en concurrent  du Commodore C64 beaucoup plus compliqué à utiliser et plus cher. Ce fut un réel succès et sorti cette même années le CPC 664 équipé d'un lecteur de disquettes trois pouces intégré. Sa vie fut de courte durée puisqu'en 1985 il fut remplacé par le CPC 6128 qui était plus compact, plus soigné et surtout qui avait 128Ko de RAM au lieu de 64Ko.