HARDWAREMONTAGES ★ AMSTRAD SPEECH SYNTHESIZER (EVERYDAY ELECTRONICS) ★

Amstrad Speech Synthesizer (Everyday Electronics)Hardware Montages
★ Ce texte vous est présenté dans sa version originale ★ 
 ★ This text is presented to you in its original version ★ 
 ★ Este texto se presenta en su versión original ★ 
 ★ Dieser Text wird in seiner Originalfassung präsentiert ★ 

Low-cost voicing for your Amstrad. Based on the popular SP025G "speech" chip.

Although they rank as one of the most popular computer ranges, the number of published add-on projects for the Amstrad CPCs seems to be relatively small. Possibly this is due to the fact that Amstrad launched these computers after the main home computer boom, when interest in computer projects had waned somewhat. Anyway, this article describes an add-on speech synthesiser for any computer in the CPC range, and helps to rectify the lack of projects for these machines.

The unit fits onto the CPC expansion port, and provides its speech output via the computer's built-in loudspeaker. The circuit is based on the popular SP0256 speech synthesiser chip This is a relatively cheap speech chip, but is one which gives an unlimited vocabulary.

Fig. 1. The Amstrad CPC Speech Synthesiser block diagram. >>

Unlike some methods of speech synthesis, the one used by the SP0256 does not require large amounts of the computer's memory in order to store a few words. In fact a dozen long sentences would probably require no more than about IK of memory. The speech quality is not as good as some systems, but is quite acceptable. Considering uie simplicity of the system used in this method of speech synthesis, the speech quality is remarkably good.

ALLOPHONES

There is a slight drawback in using the SP0256 speech chip, and this is simply that it is relatively difficult to program well. It produces words by stringing together a number of “allophones”, w ch are the basic sounds of speech. For example, “shhhh”, “arrr”, and “ow” are the sort of simple sounds that can be fitted together to make up the more complex sounds of complete words. These words, separated by pauses where necessary, can then be put together to make complete sentences, or even a number of sentences if required.

For this system to be successful you must have at your disposal all the sounds needed to make up all the words in the language. Apparently the sounds required vary significantly fiom one language to another, ind the sounds for a particular language are called “phonemes”. The SP0256 contains sixty four phonemes (including pauses) that permit any English word to be produced.

For this system to work well the allophones need to be chosen very carefully, and the obvious ones are not necessarily the ones that give the best results. How-ever, with a little experience it is possible to put together some intelligible sentences in a reasonably short space of time, perhaps with a little “fine tuning” being needed in order to get things just right.

SYSTEM OPERATION

The block diagram of Fig.l shows the basic arrangement used in this speech synthesiser. The speech synthesiser chip is at the heart of the unit, and th.s includes a 2K by 8 ROM that contains all the allophones. It has provision for operation with up to three external ROMs, giving a maximum capacity of 256 allophones. However, in most circuits (including this one) no external ROMs are used. There are 64 allophones available to the user, and these are selected via six address inputs.

Rather than a true audio output, the SP0256 provides a pulse width modulated output signal. In other words, the output signal is a high frequency pulse signal, with the pulse width being varied to give the required audio output voltage. A high mark-space ratio gives a high average output voltage, a low mark-space ratio gives a low average output potential, and a 1 to 1 ratio gives an intermediate average output level.

By varying the pulse width the average output voltage can therefore be made equal to the required audio output potential. In order to decode this type of signal it is merely necessary to pass it through a lowpass filter. This filters out the pulses a.id leaves a potential equal to the average voltage of the pulse signal. The output signal from the lowpass filter is too low to drive the audio input of the CPC computers properly, and so the signal is boosted by an amplifier before being fed to the computer.

INTERFACING

Interfacing the SP0256 to the buses of a computer is reasonably straightforward. In order to produce a series of allophones from the chip it must first be fed with a 6-bit allophone address. Then, in order to get the chip to produce the selected allophone, a pulse must be applied to the chip's “ALD” (allophone load) input.

It is important that the next allophone is not sent to the SP0256 until it has completed the current one. Otherwise, each allophone, apart from the final one, is cut short to make way for the subsequent one, giving what is just a brief burst of noise from the loudspeaker.

The SP0256 provides a sort of “handshake” output in the form of its “LRQ” (load request) output. This is normally low, but it goes high when the chip is producing an allophone.

The flow of data can be correctly controlled by using a software routine to send an allophone address to the SP0256, wait until “LRQ” goes low, send another allophone address, monitor “LRQ” again, and so on, until all the allophones have been produced. Timing loops are not really a viable alternative as the allophones have various durations from 10ms to 420ms. An accurately timed flow of data is essential if a good quality output is to be achieved.

In my experience at any rate, feeding the address inputs of the SP0256 direct from one of the computer's buses is not likely to be successful. More reliable results are usually obtained if it is fed from a latching output port. In this case it is driven from a 6-bit latching output derived from data lines D0 to D5.

The “ALD” input of the speech chip is driven from the “write” output of the address/control bus decoder circuit. Consequently, writing an allophone address to the SP0256 results in that allophone being automatically produced by the device.

Fig. 2. Complete circuit diagram for the Amstrad CPC Speech Synthesiser. >>

The “LRQ” output of the SP0256 is fed to D7 of the data bus via a tristate buffer. Note that data line D6 is not required by the speech synthesiser, and that this line of the computer's expansion port is left unconnected.

DECODING

With an unexpanded CPC464 it is possible to utilize a very simple form of address and control bus decoding, which more or less consists of activating the interface when A10, IORQ, and either RD or WR are all low. With expanded or disk based CPCs the situation is a little more tricky, and much more precise decoding is required if interactions between the user add-on and other hardware (particularly the disk drivers) are to be avoided.

In this circuit all the address lines from A4 to A15 are decoded so that the speech synthesiser is placed in the input/output map at address &F8F0. In fact is appears at “echoes” from &F8F0 to &F8FF, and can be accessed by way of any address in this range.
This range of addresses is specified as being free for user add-ons in the Amstrad CPC manuals, and there should be no danger of any conflicts between the speech synthesiser and any official Amstrad addons or the computer's internal hardware. However, other add-ons might use the same address range, and might not be compatible with this unit.

The address/control bus decoder provides separate “read” and “write” outputs. Address &F8F0 is therefore used for sending allophone addresses to the SP0256, and for monitoring its “LRQ” output.

CIRCUIT OPERATION

Refer to Fig.2 for the full circuit diagram of the Amstrad CPC Speech Synthesiser. IC6 is the SP0256 speech chip, and this has a built-in clock oscillator. It requires a discrete crystal and two capacitors (XI, Cl, and C2), and the clock frequency recommended by the speech chip manufacturer is 3.12MHz.

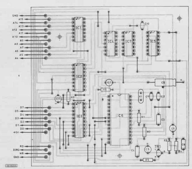
<< Fig. 3. (above) Printed circuit board component layout and wiring details, (below) Full size printed circuit copper foil master pattern. >>

The second complication is that we require separate outputs for read and write operations. This is achieved by gating the output of IC2 with the RD (read) and WR (write) lines of the CPC expansion bus, using a separate OR gate for each of these two lines. This gives a negative read pulse from IC4b, and a negative write pulse from IC4a.

A positive pulse is needed for the ALD input of the speech chip, and this is derived from the write output via inverter IC7. The six bit latching output for IC6 is provided by IC3, which is actually an octal D type flip/flop. In this case only six of the flip/flops are used, with the two “spares” just being ignored. IC4a provides a negative pulse to the “clock pulse'' input of IC3 during write operations to the interface, and this latches the outputs of the flip/flops.

At switch -on a negative reset pulse is supplied to IC3 by C11. This ensures that IC3 commences with all its outputs low, and that the speech chip does not produce any output until the user activates it. R7 ensures that C11 is rapidly discharged when the computer is switched off, so that a fresh reset pulse is produced when it is switched on again.

ICS is a quad tri-state buffer, but in this circuit only one buffer is used and no connections are made to the other three. It interfaces the LRQ output of IC6 to D7 of the CPC expansion bus, and it is set to the active state by the output pulses from IC4b during read operations to the speech synthesiser.

Power for the speech synthesiser is obtained from the +5 volt supply output of the CPC expansion port C9 provides smoothing which helps to give a low noise level on the audio output of the unit.

CONSTRUCTION

Details of the printed circuit board are provided in Fig.3. Crystal XI must be a miniature wire-ended type with 0.2 inch lead spacing if it is to fit easily onto the board. Try to complete the soldered joints reasonably rapidy when fitting this component as some crystals are relatively easily damaged by heat. IC6 is a MOS integrated circuit, and as such it is vulnerable to lamage by static charges.


Completed circuit board showing all the i.c.s. mounted in i.e. holders.

Leave this component in its anti-static packaging until, in all other respects, the unit is finished. Then fit this component onto the board, handling it as little as possible, avoiding touching the pins and fitting it into a holder already fitted to the board so that there is no need to make any direct soldered connections to this chip.

With a fairly large integrated circuit of this type, IC6 can be a bit difficult to fit a into its socket. Usually the pins have to be carefully bent inwards slightly. Be careful not to buckle any of its pins when fitting IC6 into its socket. Although none of the other integrated circuits are static sensitive types, it is recommended that they should be fitted in holders.

Fig. 4. Connection details for the 2x25 way edge connector. >>

There should be no difficulties in fitting the other components onto the board provided the correct types of capacitor are used. In particular, the polyester types should have a lead spacing of 7.5 millimetres (0.3 inches). Be careful to fit the electrolytic capacitors with the correct polarity. A number of link wires are required, and these can be made from 22s.w.g. tinned copper wire, or the leads trimmed from the resistors and capacitors might be sufficient.

CONNECTIONS

The board is connected to the computer via a 25-way ribbon cable which is fitted with a 2 by 25-way 0.1 inch pitch edge connector at the computer end. At the other end it is either connected directly to the board, or via pins if preferred.

Both ends of the cable should be prepared by separating all the wires, stripping a few millimetres of insulation from each one, and tinning them all with solder. The terminals of the edge connector (or the twenty five that are used anyway) should be tinned with solder, as should the pins on the board if this method of connection is adopted.

In my experience the CPC computers are not tolerant of long connecting leads on their expansion bus. It is therefore recommended that the connecting cable should be no more than about 0.6 metres long.

The edge connector connection details are given in Fig.4. The board has been designed so that the order of the connections on the board matches up well with that of those on the edge connector. Therc-is no need for any crossing over of wires, but you still need to be very careful to get each lead connected to the right terminal of the edge connector.

The multi-coloured “rainbow” ribbon cable is better for this sort of thing, but grey ribbon cable is usable if you take extra care. If you are using a connector fitted with the appropriate polarising key, make quite sure that you have the connector the right way up before making the connections to it

If the connector is not fitted with a polarising key, clearly mark the top and bottom edges such as to minimise the risk of fitting it to the expansion port up-side-down. Once this wiring has been completed, check it very thoroughly at least once before connecting the unit to the computer and trying it out.

Projects of this type are often left as incased boards, as was the prototype. However, it should not be difficult to fit the unit into a small plastic case if preferred. This does have the advantages of being a bit neater, and keeping dust etc. off the circuit board.

COMPONENTS

Resistors

  • R1.R2 27k (2 off)
  • R3 1M
  • R4 4k7
  • R5 470
  • R6, R7 10k (2 off)
  • All 0.25W 5% carbon
Capacitors
  • C1 12p ceramic plate
  • C2 10p ceramic plate
  • C3 22n polyester (7.5mm pitch)
  • C4, C8 10n polyester (7.5mm pitch) (2 off)
  • C5 1µ radial elect. 63V
  • C3 2µ2 radial elect. 63V
  • C7, C11 220µ radial elect. 10V (2 off)
  • C9 330µ axial elect. 10V
  • C10 100n disc ceramic
Semiconductors
  • IC1 74LS30 8-input NAND gate
  • C2 74LS138 3-to-8 line decoder
  • IC3 74LS273 octal flip/flop
  • IC4 74LS32 quad 2-input OR gate
  • IC5 74LS125 quad tristate buffer
  • IC6 SP0256 speech synthesiser
  • IC7 74LS14 hex inverting trigger
  • TR1 BC549 silicon npn
Miscellaneous
  • X1 3.2768MHz miniature wire-ended crystal (see text)
Printed circuit board available from the EE PCB Service, order code EE689; case (see text); 2 x 25 way 0.1 inch pitch edge connector; 25 way ribbon cable; 14 pin d.i.l. i.c. holder (4 off); 16 pin d.i.l. i.c. holder; 20 pin d.i.l. i.c. holder; 28 pin d.i.l. i.c. holder; connecting wire; etc.

Approx cost. Guidance only £20

TABLE. 1 List of Allophones, their addresses and sample words
Dec
Address
Hex
Address
AllophoneExample
Word
Dec
Address
Hex
Address
AllophoneExample
Word
0
1
2
3
4
5
6
7
8
9
10
11
12
13
14
15
16
17
18
19
20
21
22
23
24
25
26
27
28
29
30
31
0
1
2
3
4
5
6
7
8
9
A
B
C
D
E
F
10
11
12
13
14
15
16
17
18
19
1A
1B
1C
1D
1E
1F
PA1*
PA2"
PA3"
PA4*
PA5"
OY
AY
EH*
KK3
PP
JH
NN1
IH*
TT2
RR1
AX*
MM
TT1
DH1
IY
EY
DD1
UW1
AO*
AA*
YY2
AE*
HH1
BB
TH*
UH*
UW2
10ms pause
30ms pause
50ms pause
100ms pause
200ms pause
bOY
frY
End
Comp
Poster
dodGe
tiN
pIt
Top
Rattle
sUcceed
Mint
porT
THem
sEA
cAqe
shoulD
tO
tAUght
lOt
YEs
tAp
Hat
BUsy
THen
bOOk
uOOt
32
33
34
35
36
37
38
39
40
41
42
43
44
45
46
47
48
49
50
51
52
53
54
55
56
57
58
59
60
61
62
63
20
21
22
23
24
25
26
27
28
29
2A
2B
2C
2D
2E
2F
30
31
32
33
34
35
36
37
38
39
3A
3B
3C
3D
3E
3F
AW
DD2
GG3
W
EG1
SH
ZH
RR2
FF*
KK2
KK1
ZZ
NG
LL
WW
XR
WH
YY1
CH
ER1
ER2
OW
DH2
SS*
NN2
HH2
OR
AR
YR
EG2
EL
BB2
OUr
Down
fIG
Vertical
GUest
SHone
aZure
tRain
Find
sKy
Can
Zoo
bANk
Love
Wood
Rain
WHere
Yell
CHoose
fIR
buRR
bOW
THey
veSt
Now
How
sORe
alARm
reaR
Got
saddLE
Bottle
Where allophones are marked with a "*" it is possible to use the same one two or more times in a row in order to give an elongated version of the sound.
IN USE

With any add-on project that connects to a computer's buses it is essential to connect it to the computer prior to switch-on. Otherwise the computer is likely to crash when the add-on is connected, and the computer and (or) add-on could be damaged. Once switched on, the computer should go through its start-up routine in the normal way. Switch off at once and recheck all the wiring if there is any hint of anything out of the ordinary at switch-on.

To test the unit you can try this example program, which should result in the speech unit saying a couple of words that will be familiar to all readers!

5 REM SPEECH ROUTINE
10 READ a
20 OUT &F8F0,a
30 IF a = 64 THEN END
40 WHILE INP(&F8F0) > 127
50 WEND
60 GOTO 10
70 DATA 7, 7,35, 52,19,0, 33, 20, 3,19, 45,7,42,17,39, 24,11,12,41,55,64

Line 10 reads data from line 70, and at line 20 each read value is sent to the speech synthesiser. Line 30 is used to detect the end of ihe speech data, and terminate the routine.

This is achieved by using a number of 64 as the last allophone value. This value is sent to the speech unit, but as it does not respond to the two most significant bits, the value it is sent is effectively zero. This is important, because most of the allophones do not cut off after the appropriate length of time, but will continue indefinitely if allowed to do so. Using 0 as the last allophone address finishes the sequence of allophones with a short pause, and ensures that there is then silence from the speech unit until it is activated again.

A WHILE...WEND loop at lines 40 and 50 halts the progress of the program until the cuirent allophone has been completed. The test used is whether or not the value returned from the speech unit is greater than 127. It must be more than 127 while an allophone is being produced, since D7 will be taken high by the status output of the SP0256, giving a returned value of at least 128. However, once an allophone has been completed, and D7 is taken low, the returned value can be no more than 127. Logic ANDing could be used to mask D0 to D6, but the method used in the demonstration program is probably faster and easier.

The allophone values used in the example program are the obvious ones, and they give reasonable results. In some cases the obvious allophones give something far removed from the desired result, but a little experimentation will often resolve matters.

Sometimes what may seem like a sound that requires just one allophone needs to be put together from two or even three allophones. The accompanying list of allophones, addresses (in hex and decimal),
plus example words to clarify the sounds they produce, should aid the selection of likely allophones for your own phrases.

ALLOPHONE ALTERATION AND USE

Note that in most cases you cannot produce elongated versions of allophones simply by using the same one two or three times in succession. In most cases this just gives a sort of echo effect. It is possible with some though, as indicated in the list.

With a few of these it is acceptable to duplicate them at the beginning of a word, but not if they are used at the end or in the middle. However, I am only giving guidelines rather than rigid rules here. It does no harm to experiment a little, and the invalid use of allophones sometimes gives the best results.

In a number of instances there are what seems to be duplications of allophones. This is where the lengths of the sounds and the emphasis is different. In general, it is the longer and “harder” versions of sounds that are used at the beginnings of words, with shorter and “milder” versions being used at the end or in the middle.

The example words indicate the normal position in a word that each allophone should occupy, although I must again emphasise that there are no hard and fast rules here. Where there are alternative sounds, it is worthwhile trying them all to determine which one sounds best.

Some of the shorter and “sharper” sounds work best if they are preceded by silence. As many of these are often used at the beginnings of words, this preceding silence will be provided anyway. However, where necessary a strategically placed brief pause (allophone 0 or 1) will improve results. The sounds which benefit from this are the B, D, and G ones (which only need short pauses), and the P, T, and K ones (which require longer pauses, possibly even allophone 2 instead of 1).

Pauses in general tend to be problematical. There is a natural tendency to assume that there are short pauses between words, longer ones between sentences, and no pauses anywhere else. In fact there are often few pauses between words, and some in between syllables of the words that do not easily trip of the tongue. When selecting pauses, or any allophones come to that, you should think in terms of what the phrase sounds like, rather than how it appears in written form.

Everyday Electronics

★ PUBLISHER: Everyday Electronics
★ YEAR: 1990
★ LANGUAGE:
★ AUTHOR: Robert PENFOLD



★ AMSTRAD CPC ★ DOWNLOAD ★

Manuel d'utilisation & doc:
» Amstrad  Speech  Synthesizer    (Everyday  Electronics)    ENGLISHDATE: 2024-07-27
DL: 177
TYPE: PDF
SiZE: 4445Ko
NOTE: Uploaded by Anonymous ; 5 pages/PDFlib v1.6

★ AMSTRAD CPC ★ A voir aussi sur CPCrulez , les sujets suivants pourront vous intéresser...

Lien(s):
» Hardware » Sprach-Synthesizer (CPC Amstrad International)
» Hardware » GEOS-Mouse am Joystick-Port (CPC Amstrad International)
» Hardware » Amstrad CPC+ : Verbindung durch Adapter (CPC Amstrad International)
» Hardware » Prise DIN 6 Pins du CPC : Remplacer l'écran d'un CPC OLD (CTM 644/CTM640/GT)
» Hardware » Informatique pratique - Un joystick proportionnel (Science&Vie)
» Hardware » ACCORD : liaison Amstrad CPC-PC (Radio Plans n°494)
Je participe au site:
» Vous avez des infos personnel, des fichiers que nous ne possédons pas concernent ce programme ?
» Vous avez remarqué une erreur dans ce texte ?
» Aidez-nous à améliorer cette page : en nous contactant via le forum ou par email.

CPCrulez[Content Management System] v8.732-desktop/c
Page créée en 083 millisecondes et consultée 708 fois

L'Amstrad CPC est une machine 8 bits à base d'un Z80 à 4MHz. Le premier de la gamme fut le CPC 464 en 1984, équipé d'un lecteur de cassettes intégré il se plaçait en concurrent  du Commodore C64 beaucoup plus compliqué à utiliser et plus cher. Ce fut un réel succès et sorti cette même années le CPC 664 équipé d'un lecteur de disquettes trois pouces intégré. Sa vie fut de courte durée puisqu'en 1985 il fut remplacé par le CPC 6128 qui était plus compact, plus soigné et surtout qui avait 128Ko de RAM au lieu de 64Ko.